
RB-40
- 機殼及渦輪葉片由鋁合金壓鑄製成,兼顧機械強度、耐久性、輕量化與外觀之多重優質特長。
- RB系列鼓風機完成依照CE / c CSA us 安全規範設計,取得國際公證機構之型式認證,對使用者人身安全有絕對保障。
- 可依客戶需求來設計。
- 可選用過熱保護器。
- 售後服務 亞洲 北美洲 中南美洲 歐洲 非洲 大洋洲
- 銷售據點 亞洲 北美洲 中南美洲 歐洲 非洲 大洋洲
特性 / Specification and Operation Diagram
吐出特性 /( 50 Hz ) / Blower with 50 Hz
吸入特性 /( 50 Hz ) / Vacuum with 50 Hz
- 註 : 1. 在(*2)的條件下的實測值。
- 註 : 2. 可連續使用的壓力值。
- 註 : 3. 吸入/吐出口全開,距離1 M,4點平均值。
- 註 : 4. 嚴禁全堵使用,請配合加裝洩壓閥。
吐出特性 /( 60 Hz ) / Blower with 60 Hz
吸入特性 /( 60 Hz ) / Vacuum with 60 Hz
- 註 : 1. 在(*2)的條件下的實測值。
- 註 : 2. 可連續使用的壓力值。
- 註 : 3. 吸入/吐出口全開,距離1 M,4點平均值。
- 註 : 4. 嚴禁全堵使用,請配合加裝洩壓閥。
曲線圖 / Operation Diagram - 50/60Hz
吐出 / Blower
吸入 / Vacuum
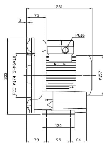
尺寸圖 / Dimension
單相-RB40-5XX
單相-RB40-6XX
3相-RB40-4XX